


Плита монтажна EA10-06-12-03-1-3-H (3 місця)
У компанії підключені електронні платежі. Тепер ви можете купити будь-який товар не покидаючи сайту.Плита монтажна із запобіжним клапаном на 3 місця
Гідравлічна монтажна плита італійського виробника OLEODINAMICA 2MP EA10-06-12-03-1-3-H на 3 монтажних місця для гідророзподільників. Вона використовується в якості допоміжного приєднуючого компоненту для монтажу і з'єднання в одному місці гідророзподільників і клапанів різного гідравлічного обладнання.
OLEODINAMICA 2МР, заснована на початку 2000 року, розпочала свою діяльність як підрядник для деяких з найбільш успішних італійських виробників гідравлічних компонентів. Навички, набуті в результаті партнерських відносин, разом із попереднім професійним досвідом партнерів та співробітників у цьому секторі, привели компанію за короткий час до створення виробничого асортименту, який тепер включає клапани, блоки СЕТОР та інтегровані системи для потреб міжнародного ринку. Завдяки ефективній дистриб'юторській мережі 2МР безпосередньо присутні в найбільш важливих європейських країнах і постійно розширюються на міжнародному рівні. У 2018 році Oleodinamica 2MP була придбана Oleodinamica Marchesin і стала частиною нової групи компаній, що спеціалізуються на гідравлічних компонентах.
Технічні характеристики EA10-06-12-03-1-3-H для гідросистеми
| Тип | для плиткової (стикової) апаратури, із запобіжним клапаном |
| ДУ | 10 |
| Тиск | 75-250 Бар |
| Кількість місць | 3 |
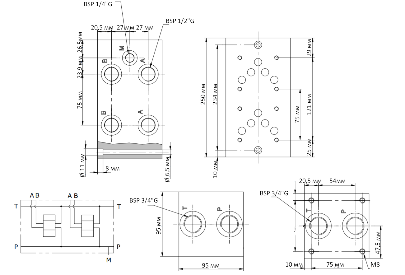
Приєднувальні розміри EA10-06-12-03-1-3-H для гідросистеми
Монтажна плита EA10-06-12-03-1-3-H має такі розміри:
- довжина корпусу - 250 мм
- ширина корпуса - 95 мм
- висота корпуса - 95 мм
- різьба - BSP G1/2, G3/4
- кріплення - М8
.png)
Де купити EA10-06-12-03-1-3-H (3 місця) в Україні?
Гідравлічну монтажну плиту італійського виробника OLEODINAMICA 2MP EA10-06-12-03-1-3-H, рекомендуємо купити в українській компанії "ГІДРО-ГІД". Ми маємо товар найвищої та перевіреної якості, зручні умови доставки та оплати, співпрацюємо з европейськими компаніями та прагнемо, щоб Ваші гідросистеми відмінно функціонували.
Для оформлення замовлення, звертайтеся за номером, який представлений на нашому сайті або натискайте "Кнопку зв'язку" та наші професіонали зв'яжуться з Вами в зручний для Вас час.
| Основні | |
|---|---|
| Виробник | Oleodinamica Marchesini |
| Країна виробник | Італія |
| Стан | Новий |
| Максимальний робочий тиск | 25 МПа |
| Гарантійний термін | 12 міс |
| Габаритні розміри | |
| Ширина | 95 мм |
| Довжина | 250 мм |
| Висота | 95 мм |
- Ціна: 11 832 ₴

