
Мініагрегат Q230407-02&5633-14
У компанії підключені електронні платежі. Тепер ви можете купити будь-який товар не покидаючи сайту.Міністанція з клапаном НЗ 24В і дроселем на зливі
Мініагрегат Q230407-02&5633-14 клапаном НЗ 24В і дроселем на зливі від компанії Vibo може застосовуватися у великій кількості сфер. Призначений для підйому-опускання вирівнюючої рампи на будь-яких підйомниках (автомобільних, ножичних і т.д), кранах що працюють від 1-стороннього гідроциліндра. Також цим мінігарегатом можна гідрофікувати вантажівки, які перевозять не дуже великі важтажі (2-6 тонни).

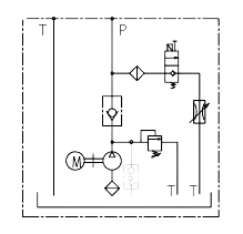
(позначення на гідравлічній схемі)
Дана модель міністанції є напрочуд продуктивною та якісною завдяки вставновленим европейським комплектуючим. При дотриманні умов експлуатації буде довго та надійно слугувати Вашій гідросистемі.
Технічні характеристики мініагрегату
| Електродвигун | ML220220-4F (220V 2.2 kW, 1420 rpm)+розвантаж.клапан |
| Гідронасос | CBKL-F142 (4.2 cм3) |
| Гідробак | 10 л |
| Тиск | 180 Бар |
| Різьба на портах | G 1/4’’ |
| Електромагнітний нормально-закритий клапан | SCV(E)-Y220AC |
| Зворотній клапан | СV-01 |
| Запобіжний клапан | RV-03 |
| Регулятор потоку (швидкість опускання) | FCV-02 |
Приєднувальні характеристики мініагрегату Q230407-02&5633-14

Де купити мінігагрегат?
Купити мініагрегат европейської якості за доступною цінною та високої якості рекомендуємо в компанії "Гідро-гід". Ми є офіційним представником виробника Vibo, тому купуюючи в нас Ви точно отримаєте оригінальну продукцію та гарантію на експлуатацію міністанції. Ми забезпечимо оперативну доставку та ефективну роботу Вашої гідросистеми!
Для замовлення звертайтеся за номерами, які представленні на нашому сайті або натискайте "Кнопку зв'язку".
| Основні | |
|---|---|
| Виробник | Vibo |
| Гарантійний термін | 12 міс |
| Користувальницькі характеристики | |
| Тип приводу | Гідравлічний |
| Номінальний робочий тиск | 18 МПа |
| Місткість оливного бака | 10 л |
- Ціна: 15 736 ₴

