


Гідромотор MP315CD/4 (315 см3)
У компанії підключені електронні платежі. Тепер ви можете купити будь-який товар не покидаючи сайту.
Гідромотор MP315CD/4
Гідравлічний мотор MP315CD/4 виробництва болгарської компанії M+S Hydraulic, призначений для перетворення енергії робочої рідини в механічну енергію, яка передається через вал виконавчим органам. M+S Hydraulic займається виробництвом гідравлічних моторів та дозаторів. Вся продукція має високу якість завдяки контролю під час кожного виробничого процесу, повне тестування та перевірка проміжних продуктів та кінцевих продуктів виконуються висококваліфікованим персоналом, повною мірою використовуючи обладнання хімічної, метрологічної та металографічної лабораторії для забезпечення якості продукції, що виробляється.
MP315CD/4 є повним аналогом до гідравлічних героторних моторів виробника Sauer Danfoss OMР 315 151-0317. Дана модель відзначилась високою продуктивністю, компактністю завдяки малим габаритам, а також малошумною роботою. Встановлюється MP315CD/4 частіше за все на конвеєри та сільськогосподарську техніку, рідше на текстильні машини та станки по обробці металів.
Технічні характеристики MP315CD/4
Гідравлічний мотор з героторною парою, робочий об’єм 316.8 см3/об. Частота обертання мотору становить 190 - 236 об/хв, при цьому необхідно створити подачу масла в 60-75 л/хв відповідно. Робочий тиск від 175 до 225 бар, потужність на валу – 5.8-9 кВт. Мотор добре реалізує свої робочі параметри при використанні мінерального гідравлічного масла та робочої температури його від -40 до 140℃. Вага гідромотору – 7.1 кг.

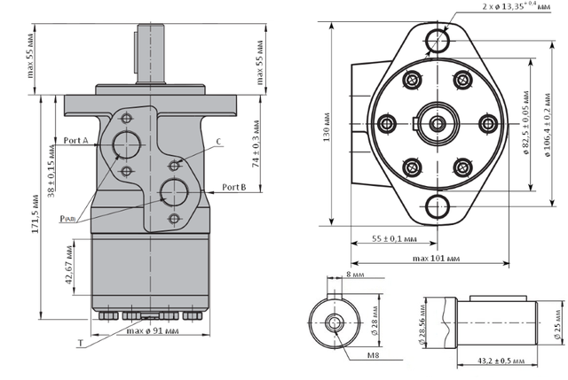
Приєднувальні розміри
MP315CD/4 стандартного виконання має овальний фланець на 2 кріпильних отвори діаметром 13,35 мм, міжосьова відстань яких складає 106,4 мм. Діаметр замка фланця – 82,5 мм. Вал мотору циліндричний, діаметром 25 мм під призматичну шпонку. Довжина валу – 43,2 мм. Порти тиску різьбові, розміщені збоку на корпусі мотору – G1/2” BSP. Порт зливу масла до баку також різьбовий, який знаходиться на задній кришці мотору – G1/4” BSP.

Де купити гідромотор MP315CD/4?
Купити M+S Hydraulic MP315CD/4 в Україні можливо замовивши на сайті компанії «Гідро-Гід» або зателефонувавши за номером телефона, що розміщено на сайті. Професійні інженери виконають підбір гідрообладнання, проконсультують і запропонують оптимальне рішення для Вашої задачі.
| Основні | |
|---|---|
| Виробник | M+S Hydraulic |
| Країна виробник | Болгарія |
| Стан | Новий |
| Гарантійний термін | 12 міс |
| Номінальна частота обертання валу | 190 об/хв |
| Максимальна частота обертання валу | 236 об/хв |
| Тип гідромотора | Героторний |
| Максимальний крутний момент | 380 H*m |
| Робочий об'єм | 316.8 куб. см |
| Тип | Гідромотор |
| Габаритні розміри | |
| Вага | 7.1 кг |
| Користувальницькі характеристики | |
| Серія гідромотора | MP (Аналог OMP) |
- Ціна: 10 936 ₴

