


Гідромотор MR80C/4 (80 см3)
У компанії підключені електронні платежі. Тепер ви можете купити будь-який товар не покидаючи сайту.Гідромотор MR80С/4
Гідромотор MR80C/4 виробництва болгарської компанії M+S Hydraulic, призначений для перетворення енергії тиску робочої рідини в крутний момент, який передається через вал мотору до виконавчих органів механізму. М+S Hydraulic – лідер у виробництві гідравлічних моторів та дозаторів на рульові механізми, який визнаний користувачами гідравліки у Європі. Вся продукція має великий ресурс напрацювання, завдяки відповідальному підходу до точності та якості в процесі виробництва.
MR80C/4 є аналогом до героторного гідромотору виробництва компанії Sauer Danfoss OMR 80 151-0411. Використовують такий гідромотор на конвеєрах, текстильних та металообробних станках. Часто встановлюють на сільськогосподарську техніку та машини для скошування трави.
Технічні характеристики MR80C/4
Гідравлічний мотор з героторною парою, робочий об’єм 80.3 см3/об. Частота обертання мотору становить 750-940 об/хв, при цьому необхідно створити подачу масла в 60-75 л/хв відповідно. Робочий тиск від 175 до 225 бар, потужність гідромотору – 12.5-15 кВт. Мотор добре реалізує свої робочі параметри при використанні мінерального гідравлічного масла та робочої температури його від -40 до 140℃. Вага гідромотору – 7 кг.

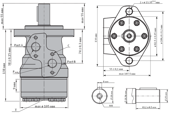
Приєднувальні розміри
MR80C/4 має європейський, овальний кріпильний фланець на 2 отвори кріплення діаметром 13,35 мм. Міжосьова відстань між отворами складає 106,4 мм. Діаметр замка фланця - 82,5 мм. Вал мотору – циліндричний під шпонку, діаметром 25мм. Довжина валу становить 43 мм. Приєднувальні порти знаходяться на корпусі мотору. Підключення до портів тиску, може здійснюватися двома способами: фланцем або різьбовим адаптером G1/2” BSP. Зливний порт різьбовий, знаходиться на задній кришці G1/4” BSP.

Де купити гідромотор MR80C/4?
Купити M+S Hydraulic MR80C/4 в Україні можливо замовивши на сайті компанії «Гідро-Гід» або зателефонувавши за номером телефона, що розміщено на сайті. Професійні інженери виконають підбір гідрообладнання, проконсультують і запропонують оптимальне рішення для Вашої задачі.| Основні | |
|---|---|
| Виробник | M+S Hydraulic |
| Країна виробник | Болгарія |
| Стан | Новий |
| Номінальний тиск | 17.5 МПа |
| Номінальна витрата рідини | 60 л/хв |
| Максимальний робочий тиск | 22.5 МПа |
| Максимальна витрата рідини | 75 л/хв |
| Гарантійний термін | 12 міс |
| Номінальна частота обертання валу | 750 об/хв |
| Максимальна частота обертання валу | 940 об/хв |
| Тип гідромотора | Героторний |
| Робочий об'єм | 80.3 куб. см |
| Тип | Гідромотор |
| Габаритні розміри | |
| Вага | 7 кг |
| Користувальницькі характеристики | |
| Серія гідромотора | MR (Аналог OMR) |
- Ціна: 11 256 ₴

