


Гідророзподільник Р80 двосекційний 80 л/хв, Болгарія Badestnost
У компанії підключені електронні платежі. Тепер ви можете купити будь-який товар не покидаючи сайту.
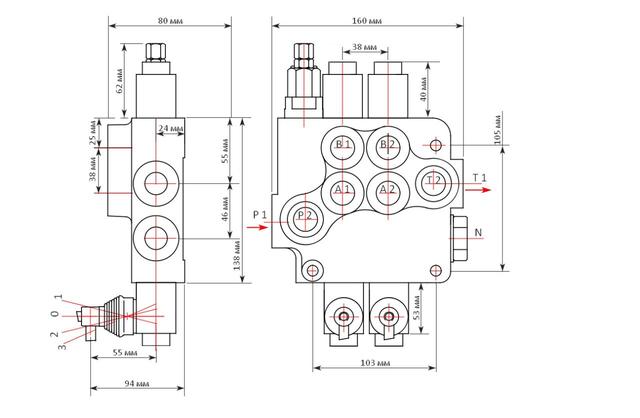
Розподільник 2P801А1A1GKZ1
Гідравлічний розподільник з ручним управлінням 2P801А1A1GKZ1 виробництва болгарської компанії Badestnost, призначений для розподілення потоку робочої рідини в залежності від зовнішньої керуючої дії. Продукція Badestnost відома на ринках всіх континентів та завоювала високу довіру користувачів. Розподільники серії Р80 розробляються та збираються висококваліфікованим персоналом, що є гарантією надійності та довговічності агрегату.
Модель 2P801А1A1GKZ1 виконана в чавунному корпусі, що робить її компактною та достатньо не важкою. Розподільник може встановлюватися на сільськогосподарську техніку, маніпулятори, фронтальні навантажувачі, станки та преси.
Технічні характеристики 2P801А1A1GKZ1
Двосекційний, ручний розподільник, стандартного виконання – золотник повертається в нейтральне положення за допомогою пружини. Максимальний розхід робочої рідини – 80 л/хв. Максимальний робочий тиск в напірній лінії Р – 250 бар, а в зливній Т – 50 бар. Експлуатаційні показники найкраще зберігаються при використанні мінерального гідравлічного масла при температурі -15…+80℃.
Приєднувальні розміри
В корпусі виконано три отвори під болт М8 для кріплення розподільника. Приєднувальні порти різьбові – порт тиску та робочі порти А та В – G1/2”, а порт зливу масла в бак – G3/4”.

Де купити ручний розподільник 2P801А1A1GKZ1?
Купити Badestnost 2P801А1A1GKZ1 в Україні можливо замовивши на сайті компанії «Гідро-Гід». Професійні інженери виконають підбір гідрообладнання, проконсультують і запропонують оптимальне рішення для Вашої задачі.
| Основні | |
|---|---|
| Виробник | Badestnost |
| Гарантійний термін | 12 міс |
| Країна виробник | Болгарія |
| Стан | Новий |
| Номінальна витрата рідини | 80.0 л/хв |
| Тип | Гідророзподільник |
| Тип розподільника | Золотниковий |
| Максимальний робочий тиск | 25 МПа |
| Управління | Ручне |
| Користувальницькі характеристики | |
| Кількість секцій | 2 |
| Тип управління | Ручне |
| Додаткові характеристики | |
| Кількість золотників | 2 |
- Ціна: 7 783 ₴

