


Гідромотор MT200C
У компанії підключені електронні платежі. Тепер ви можете купити будь-який товар не покидаючи сайту.Гідромотор MT200C
Гідравлічний мотор MT200C виробництва болгарської компанії M+S Hydraulic, призначений для перетворення енергії робочої рідини в механічну енергію, яка передається через вал виконавчим органам. M+S Hydraulic займається виробництвом гідравлічних моторів та дозаторів. Вся продукція має високу якість завдяки контролю під час кожного виробничого процесу, повне тестування та перевірка проміжних продуктів та кінцевих продуктів виконуються висококваліфікованим персоналом. MT200C є повним аналогом до гідравлічних героторних моторів виробника Sauer Danfoss OMT 200 151B-3001. Встановлюється MT200C частіше за все на конвеєри, дорожно-будівельну техніку, рідше на текстильні машини та станки по обробці металів.
Технічні характеристики аналога Danfoss OMТ200
Гідравлічний мотор з героторною парою, робочий об’єм 201.4 см3/об. Максимальна частота обертання мотору становить 620 об/хв, при цьому необхідно створити подачу масла в 125 л/хв відповідно. Робочий тиск до 210 бар, максимальна потужність на валу – 33,5 кВт. Мотор добре реалізує свої робочі параметри при використанні мінерального гідравлічного масла та робочої температури його від -40 до 140℃. Вага гідромотору – 21.5 кг.

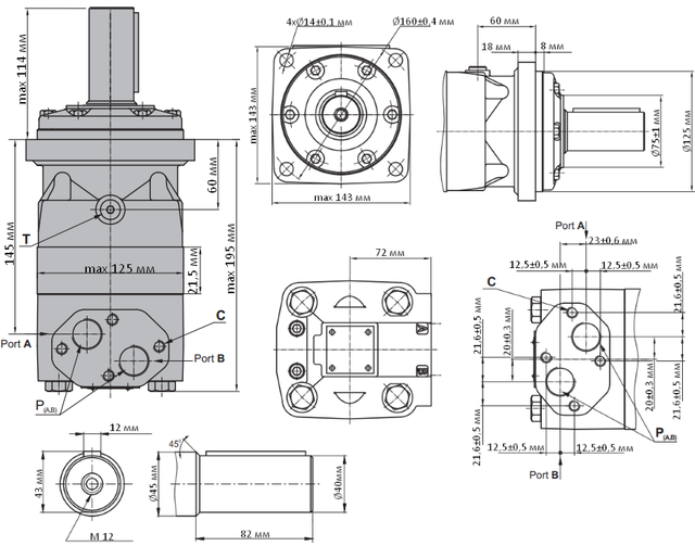
Приєднувальні розміри
MT200C стандартного виконання має квадратний фланець на 4 кріпильних отвори діаметром 14 мм, міжосьова відстань яких складає 112 мм. Габарити фланця 143х143 мм. Діаметр замка фланця – 125 мм. Вал мотору циліндричний, діаметром 40 мм під призматичну шпонку. Довжина валу – 82 мм. Приєднування мотору в лінію можна здійснити як за допомогою фланців (кріплення болтами М10 10 мм), так і різьбових адаптерів. Порти тиску мають різьбу G3/4” BSP, а порт зливу масла в бак - G1/4” BSP.

Де купити болгарський гідромотор MT200C ?
Купити M+S Hydraulic MT200C в Україні можливо замовивши на сайті компанії «Гідро-Гід» або зателефонувавши за номером телефона, що розміщено на сайті. Професійні інженери виконають підбір гідрообладнання, проконсультують і запропонують оптимальне рішення для Вашої задачі.
| Основні | |
|---|---|
| Виробник | M+S Hydraulic |
| Країна виробник | Болгарія |
| Стан | Новий |
| Максимальна витрата рідини | 125 л/хв |
| Тип гідромотора | Героторний |
| Максимальний крутний момент | 590 H*m |
| Робочий об'єм | 201.4 куб. см |
| Тип | Гідромотор |
| Габаритні розміри | |
| Вага | 21.5 кг |
- Ціна: 33 616 ₴

