

Гідронасос VIVOIL X2P4302EBBA (6 см³)
У компанії підключені електронні платежі. Тепер ви можете купити будь-який товар не покидаючи сайту.| Модель | X2P4302EBBA (XV-2P/06) |
| Серія | XV |
| Група | 2 |
| Категорія | Односпрямований насос Однонаправлений насос (стандартно праве обертання із можливістю зміни на ліве) |
| Робочий об'єм | 6 см3 |
| Макс. робочий тиск | 260 Бар |
| Макс. піковий тиск | 300 Бар |
| Фланець | Ø36,5 з правим обертанням |
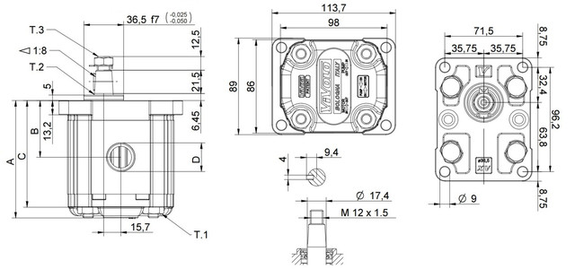
| Вал | СО001 - Вал конічний 1:8 - ø17,4 - M12x1,5 |
| Корпус | Вхідний канал - 1/2" |
| Вихідний канал - 1/2" | |
| Кришка | Стандартна |
| Максимальнаа частота обертання, об/хв | 3500 об/хв |
Гідронасос X2P4302EBBA
Гідравлічний насос X2P4302EBBA італійського виробництва компанії Vivoil, призначений для створення тиску та потоку робочої рідини у промислових гідросистемах. Завдяки використання компанією високих технологій та ручної збірки, всі гідравлічні компоненти мають хорошу надійність в експлуатації. Продукцію Vivoil використовують майже на всьому просторі європейської гідравліки, завдяки оптимальному відношенню ціна-якість.
X2P4302EBBA відноситься до насосів шестеренного типу та є повним аналогом брендів: Bosch Rexroth, Parker, Marzocchi, Casappa та інших. За звичай, такий насос використовують на маслостанціях пресів, верстатів, гідравлічних підйомниках, тракторах та іншій сільськогосподарській та будівельній техніці. При роботі мають оптимальний рівень шуму.
Технічні характеристики гідравлічного насосу XV-2P/06
Даний гідроапарат відносить до 2 робочої групи насосів, робочий об’єм складає 6,0 см3. При цьому він може реалізувати тиск в діапазоні від 260 до 300 бар. Частота обертання ведучого валу – 3500 об/хв, напрямок обертання – правий (Але може бути досить просто змінений на лівий).
Увага! Для того, щоб розрахувати необхідну подачу Q л/хв, потрібно, робочий об’єм насосу Vн см3 помножити на частоту обертання n об/хв силової установки, яка приводить в дію насос. Наприклад, частота обертання 1500 об/хв, то 6,0*1,5=9,0 л/хв.
Приєднувальні розміри
Вал та приєднувальний фланець насосу виконаний за всіма європейськими стандартами. Вал – конічний з шпонкою 1:8, та має діаметр 17,4 мм з різьбою під гайку М12х1,5. Приєднування здійснюється на 4 отвори, діаметром 9 мм. Діаметр замка фланця становить 36,5 мм. Міжосьова відстань між отворами складає 71,5х96,2 мм. Порти насосу – різьбові 1/2" BSP.

| Вага | A | B | C |
D (вхід) |
D (вихід) |
| 2,3 кг | 90,2 мм | 43,2 мм | 80,2 мм | 1/2" BSPP | 1/2" BSPP |
Де купити насос гідравлічний X2P4302EBBA ?
Купити Vivoil X2P4302EBBA в Україні можливо замовивши на сайті компанії «Гідро-Гід» або зателефонувавши за вказаними на сайті номерами. Професійні інженери виконають підбір гідрообладнання і запропонують оптимальне рішення для Вашої задачі.
| Основні | |
|---|---|
| Виробник | Vivoil |
| Країна виробник | Італія |
| Гарантійний термін | 12 міс |
| Вага | 2.3 кг |
| Робочий об'єм | 6 куб. см |
| Напрямок обертання | Праве, Ліве |
| Номінальний тиск | 26 МПа |
- Ціна: 8 617 ₴

