


Гідронасос MOZIONI MGP2K12RG262G (12,5 см³)
У компанії підключені електронні платежі. Тепер ви можете купити будь-який товар не покидаючи сайту.| Серія | MGP |
| Група | 2 |
| Категорія | Односпрямований насос |
| Робочий об'єм | 12,5 см3 |
| Макс. робочий тиск | 250 Бар |
| Макс. піковий тиск | 300 Бар |
| Фланець | Ø36,5 мм |
| Вал | Вал конічний 1:8 |
| Максимальна швидкість | 3500 об/хв |
| Корпус | Вхідний отвір - 3/4" |
| Вихідний отвір - 1/2" | |
| Вага | 2.4 кг |
Гідронасос MGP2K12RG262G
Гідравлічний насос MGP2K12RG262G шестеренного типу виготовлений передовою італійською компанією Oleodinamica Mozioni. Дана компанія зарекомендувала себе на європейському ринку, як один із кращих виробників гідравлічних компонентів та рішень. При виробництві розподільників, насосів, гідромоторів використовуються якісні матеріали та оброблювальна техніка, що дає змогу отримати надійну гідроапаратуру.
Дана модель MGP2K12RG262G є повним аналогом шестеренних насосів компаній-виробників Bosch Rexroth, Hydac, Eaton, Parker та призначена для створення тиску та потоку рідини в гідросистемі. Також вона отримала широкого застосування на маніпуляторах, підйомниках, тракторах, пресах та станках.
Технічні характеристики гідравлічного насосу MGP2K12RG262G
MGP2K12RG262G відноситься до 2 робочої групи, робочий об’єм насосу складає 12,5 см3, частота обертання насосу 600-3500 об/хв, напрямок обертання – правий. Номінальний тиск становить – 250 бар, максимальний (граничний) – 300 бар. За рекомендацією виробника, для довговічної роботи насосу та ущільнення, слід використовувати мінеральне гідравлічне масло.
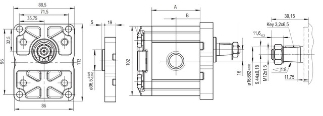
Приєднувальні розміри
Приєднувальний фланець та вал – європейський. Діаметр замка фланця 36,5 мм. Кріплення фланця виконано на 4 отвори діаметром 9 мм, міжосьова відстань між отворами кріплення 71,5 мм. Вал – 1:8 з сегментною шпонкою 3,2х6,5, гайка М12х1,5. Порти насосу різьбові: всмоктувальний 3/4" BSP, порт тиску 1/2” BSP.

| Вага | А | В |
| 2,4 кг | 59,8 мм | 29,9 мм |
Де купити насос гідравлічний MGP2K12RG262G?
Купити Mozioni MGP2K12RG262G в Україні можливо замовивши на сайті компанії «Гідро-Гід». Професійні інженери виконають підбір гідрообладнання і запропонують оптимальне рішення для Вашої задачі.
| Основні | |
|---|---|
| Країна виробник | Італія |
| Гарантійний термін | 12 міс |
| Вага | 2.4 кг |
| Робочий об'єм | 12.5 куб. см |
| Напрямок обертання | Праве |
| Номінальний тиск | 25 МПа |
| Користувальницькі характеристики | |
| Виробник | Oleodinamica Mozioni |
- Ціна: 5 137 ₴

