
Маслостанція c електромагнітним управлінням 250 бар, 20 л/хв, 11 кВт
У компанії підключені електронні платежі. Тепер ви можете купити будь-який товар не покидаючи сайту.Загальні технічні характеристики
| Тип управління | електромагнітне |
| Номінальний тиск | від 50 до 250 бар |
| Номінальна подача | 20 л/хв |
| Об'єм масляного бака | 100 л |
| Електроживлення | 11 кВт, напруга 380 В |
| Строк провадження | 2-3 тижні |
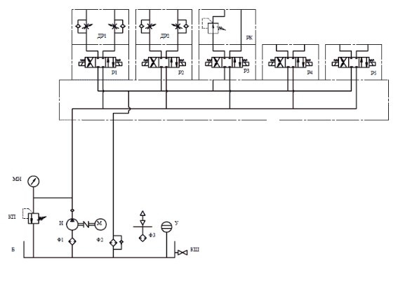
Гідравлічна схема

Комплектація
| Позначення | Найменування | Производиетль |
| Н | Насос | Mozioni (Італія) |
| М | Електродвигун | Elprom (Болгарія) |
| КШ | Кран зливний | Oleodinamica Marchesini (Італія) |
| ДО | Клапан зворотний | Oleodinamica Marchesini (Італія) |
| КП | Клапан запобіжний | Oleodinamica Marchesini (Італія) |
| РК | Клапан редукційний | Oleodinamica Marchesini (Італія) |
| МН | Манометр | Bart (Італія) |
| Ф1 | Всмоктуючий фільтр | MрFiltri (Італія) |
| Ф2 | Зливний фільтр | ОМТ (Італія) |
| Ф3 | Фільтр-сапун заливний | MрFiltri (Італія) |
| Р | Гідророзподільник | Mozioni (Італія) |
| Р1...Р5 | Гідророзподільник | Mozioni (Італія) |
| ДР1...ДР2 | Дросель модульний | Oleodinamica Marchesini (Італія) |
| Б | Бак | ГІДРО-ГІД (Україна) |
| У | Покажчик рівня | MрFiltri (Італія) |
Опис роботи
Електродвигун (М) обертає насос (Н). Робоча рідина, всмоктується насосом з бака (Б) через сітчастий фільтр (Ф1), рукави високого тиску подається в робочу порожнину гідроінструмента (ГЦ). Налаштування граничного тиску маслостанції проводиться запобіжним клапаном (КП). Максимальний робочий тиск 12,5 МПа. Гідророзподільники (Р1..Р5) призначені для управління роботою гідроінструмента двосторонньої дії. Перемикання положень золотника гідророзподільника здійснюється за допомогою електромагнітів (робоче положення «A» і холостий хід «B»). Повернення в нейтральне положення («0») проводиться за рахунок впливу пружного елемента (пружини). За допомогою дроселів ДР1 і ДР2 проводиться регулювання швидкості руху робочого органу гідроциліндра. За допомогою редукційного клапана РК виробляється зміни тиску в потрібній лінії. Тиск в системі контролюється манометром (МН) (0...40 МПа). На зливній лінії встановлений масляний фільтр (Ф2). Перепад тиску робочої рідини до і після фільтрів не повинен перевищувати 0,5 МПа. Перепад тиску понад допустимого призводить до виходу їх з ладу. Робоча рідина заливається в бак через заливний сітчастий фільтр (ФЗ). Рівень рідини в баку і її температура контролюється відповідно за допомогою рівнеміра (У) і температури (Т), об'єднаних в один пристрій.
+380660669956
+380970669956
| Основні атрибути | |
|---|---|
| Країна виробник | Україна |
| Тип | Стаціонарна |
| Тип приводу | Гідравлічний |
| Номінальний робочий тиск | 25 МПа |
| Номінальна подача | 20 л/хв |
| Ємність масляного бака | 100 л |
| Потужність | 11 кВт |
- Ціна: від 124 800 ₴

